English
Español
Português
русский
Français
日本語
Deutsch
tiếng Việt
Italiano
Nederlands
ภาษาไทย
Polski
한국어
Svenska
magyar
Malay
বাংলা ভাষার
Dansk
Suomi
हिन्दी
Pilipino
Türkçe
Gaeilge
العربية
Indonesia
Norsk
تمل
český
ελληνικά
український
Javanese
فارسی
தமிழ்
తెలుగు
नेपाली
Burmese
български
ລາວ
Latine
Қазақша
Euskal
Azərbaycan
Slovenský jazyk
Македонски
Lietuvos
Eesti Keel
Română
Slovenski
मराठी
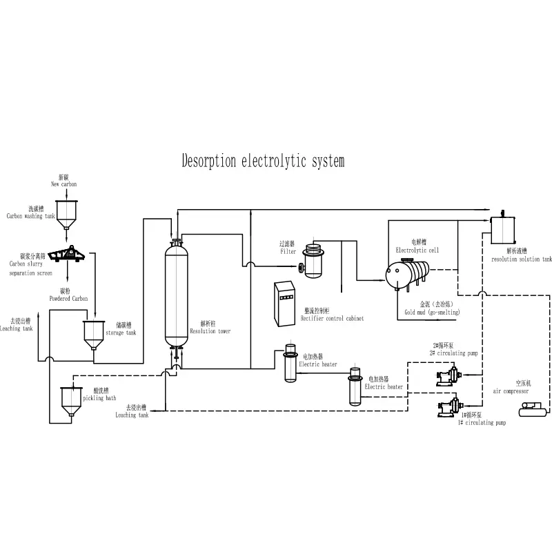
Srpski језик डिसोर्प्शन इलेक्ट्रोलाइटिक सिस्टम आधुनिक सोने के निष्कर्षण में एक महत्वपूर्ण तकनीक है, विशेष रूप से कार्बन-इन-पल्प (सीआईपी) और कार्बन-इन-लीच (सीआईएल) प्रक्रियाओं में। यह ब्लॉग बताता है कि सिस्टम कैसे काम करता है, इसके घटक, फायदे, और यह कुशल सोने की वसूली में एक मानक क्यों बन गया है। हम इस बात पर भी ......
और पढ़ेंजलमग्न सर्पिल क्लासिफायरियर खनिज प्रसंस्करण में एक महत्वपूर्ण घटक है जो विभिन्न उद्योगों में कणों के पृथक्करण और वर्गीकरण को बढ़ाता है। इस लेख में, हम जलमग्न सर्पिल क्लासिफायर के कार्य, फायदे और अनुप्रयोगों का पता लगाएंगे, साथ ही ईपीआईसी के समाधान खनन उद्योग में कैसे योगदान करते हैं।
और पढ़ेंखनन उद्योग में लीचिंग आंदोलन टैंक आवश्यक उपकरण हैं, विशेष रूप से लीचिंग प्रक्रियाओं के माध्यम से अयस्कों से मूल्यवान धातुओं को निकालने के लिए। इस ब्लॉग में, हम खनन उद्योग में उपयोग किए जाने वाले लीचिंग आंदोलन टैंकों के महत्व, कार्य सिद्धांत और विभिन्न प्रकार का पता लगाएंगे।
और पढ़ेंजलमग्न सर्पिल क्लासिफायर खनिज प्रसंस्करण में उपकरण का एक महत्वपूर्ण टुकड़ा है, जिसे गुरुत्वाकर्षण अवसादन और यांत्रिक गति के माध्यम से आकार और घनत्व के आधार पर कणों को अलग करने के लिए डिज़ाइन किया गया है। खनन, रेत धोने और औद्योगिक वर्गीकरण प्रणालियों में व्यापक रूप से उपयोग की जाने वाली यह मशीन सटीक ......
और पढ़ेंसर्कुलर हाई रेट इनक्लाइंड प्लेट थिनर (सीएचआरआईपीटी) खनन और खनिज प्रसंस्करण उद्योग में उपयोग किया जाने वाला एक महत्वपूर्ण उपकरण है। तरल पदार्थों से ठोस पदार्थों को कुशलतापूर्वक अलग करने की अपनी क्षमता के लिए जाना जाने वाला यह गाढ़ा पदार्थ अपशिष्ट जल उपचार, खनिज प्रसंस्करण और रासायनिक उद्योगों जैसे उद......
और पढ़ेंबेलनाकार झाग फ़्लोटेशन सेल अपने अनुकूलित डिज़ाइन, बढ़ी हुई पुनर्प्राप्ति दर और ऊर्जा-कुशल प्रदर्शन के साथ खनिज प्रसंस्करण में क्रांति ला रहा है। यह व्यापक मार्गदर्शिका इस बात की पड़ताल करती है कि बेलनाकार प्लवनशीलता कोशिकाएं पारंपरिक मॉडलों से कैसे भिन्न हैं, उनके कार्य सिद्धांत, फायदे, अनुप्रयोग और......
और पढ़ें