साइनाइडिंग उपकरण सोने की रिकवरी और साइट सुरक्षा में कैसे सुधार करता है?

यदि आपने कभी महसूस किया है कि साइनाइडेशन "प्रभावी, लेकिन तनावपूर्ण" है, तो आप इसकी कल्पना नहीं कर रहे हैं। रसायन शास्त्र काम करता है - फिर भी दिन-प्रतिदिन की वास्तविकता गड़बड़ हो सकती है: परिवर्तनीय अयस्क, अभिकर्मक ओवरस्पेंडिंग, कार्बन हानि, अप्रत्याशित डाउनटाइम, और सुरक्षित रूप से और लगातार काम करने का निरंतर दबाव। यह आलेख क्या तोड़ता हैसायनाइडिंग उपकरणवास्तव में आपके लिए क्या करना चाहिए, खरीदने से पहले क्या पूछना चाहिए, और सबसे महंगी गलतियों से कैसे बचें।


अमूर्त

आधुनिकसायनाइडिंग उपकरणयह केवल टैंकों का एक सेट नहीं है - यह एक कनेक्टेड सिस्टम है जिसे लीचिंग स्थितियों को नियंत्रित करने, रिकवरी को स्थिर करने, अभिकर्मक अपशिष्ट को कम करने और साइनाइड हैंडलिंग को पूर्वानुमानित रखने के लिए डिज़ाइन किया गया है। खरीदार आम तौर पर चार समस्याओं से जूझते हैं: असंगत वसूली, उच्च परिचालन लागत, कमजोर सुरक्षा नियंत्रण और रखरखाव संबंधी सिरदर्द। नीचे, आपको साइनाइडिंग मॉड्यूल (लीचिंग, सोखना, डिसोर्प्शन/इलेक्ट्रोविनिंग, डिटॉक्स और इंस्ट्रुमेंटेशन) का एक व्यावहारिक, प्लांट-फ्लोर दृश्य मिलेगा, एक चयन मैट्रिक्स, कमीशनिंग टिप्स और एक एफएक्यू अनुभाग जिसे आप आपूर्तिकर्ता बातचीत के दौरान उपयोग कर सकते हैं।


विषयसूची


एक नज़र में रूपरेखा

  • "मुझे साइनाइडेशन की आवश्यकता है" का पूर्ण, नियंत्रणीय उपकरण दायरे में अनुवाद करें।
  • पहचानें कि कौन सा मॉड्यूल आपके नुकसान (वसूली, अभिकर्मक, कार्बन, या डाउनटाइम) को बढ़ा रहा है।
  • अपने अयस्क प्रकार और बाधाओं के समाधान की तुलना करने के लिए एक सरल मैट्रिक्स का उपयोग करें।
  • आपूर्तिकर्ता बैठकों में एक चेकलिस्ट के साथ जाएं जो कमजोर डिजाइनों को तेजी से उजागर करती है।

असली क्रेता के दर्द बिंदु

जब लोग खरीदारी करते हैंसायनाइडिंग उपकरण, वे अक्सर कहते हैं "मुझे उच्च स्वास्थ्य लाभ की आवश्यकता है।" उनका आम तौर पर मतलब यह है: "मुझे ऐसी पुनर्प्राप्ति की आवश्यकता है जो अयस्क बदलने, ऑपरेटरों के घूमने और साइट के दूरस्थ होने पर भी उच्च बनी रहे।" यहां वे दर्द बिंदु हैं जो बार-बार दिखाई देते हैं:

  • पुनर्प्राप्ति झूलती हैअयस्क परिवर्तनशीलता, पीसने की समस्या, ऑक्सीजन सीमा या खराब पीएच नियंत्रण के कारण होता है।
  • अभिकर्मक लागत रेंगनासाइनाइड या चूने की अधिक मात्रा लेने से "सिर्फ सुरक्षित रहने के लिए।"
  • कार्बन समस्याएँजैसे कि दूषण, घर्षण हानि, या खराब सोखना गतिकी।
  • स्र्कनापंप/वाल्व विफलताओं, अपघर्षक घोल घिसाव, या हार्ड-टू-एक्सेस लेआउट से।
  • सुरक्षा तनावसाइनाइड भंडारण, खुराक और आपातकालीन प्रतिक्रिया तैयारी के आसपास।

अच्छा उपकरण डिज़ाइन सभी जटिलताओं को दूर नहीं करता है, लेकिन इसे अनुमान को दूर करना चाहिए।


"साइनाइडिंग उपकरण" में क्या शामिल है

Cyaniding Equipment

न्यूनतम पर,सायनाइडिंग उपकरणइसे एक ऐसी प्रणाली के रूप में समझा जाना चाहिए जो इन कार्यों का समर्थन करती है:

  • लीचिंग: विघटन के लिए समय, मिश्रण और रसायन नियंत्रण प्रदान करें।
  • सोने पर कब्ज़ा: सक्रिय कार्बन (सीआईपी/सीआईएल) या अवक्षेपण मार्गों पर सोखना।
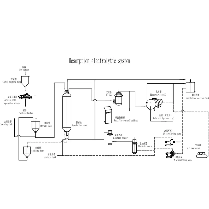
  • सोने की रिकवरी: विशोषण और इलेक्ट्रोविनिंग (या वैकल्पिक पुनर्प्राप्ति सर्किट)।
  • डिटॉक्स और टेलिंग्स हैंडलिंग: अवशिष्ट साइनाइड को स्वीकार्य स्तर तक कम करें।
  • इंस्ट्रुमेंटेशन और नियंत्रण: पीएच, घुलित ऑक्सीजन, प्रवाह और खुराक को मापें और स्थिर करें।

यदि कोई आपूर्तिकर्ता केवल "टैंक" के बारे में बात करता है, तो उन्हें संपूर्ण प्रवाह और नियंत्रण बिंदुओं को परिभाषित करने के लिए प्रेरित करें। प्रयोगशाला स्थितियों में साइनाइडेशन क्षमाशील है; यह अराजक क्षेत्र स्थितियों में क्षमाशील नहीं है।


अयस्क से डोरे तक एक स्पष्ट प्रक्रिया मानचित्र

जबकि प्रत्येक पौधा अलग-अलग होता है, अधिकांश साइनाइडेशन मार्ग एक पहचानने योग्य रीढ़ का अनुसरण करते हैं। प्रस्तावित पैकेज पूरा हो गया है या नहीं, इसकी जांच करने के लिए इस मानचित्र का उपयोग करें:

अवस्था इसे क्या हासिल करना चाहिए विशिष्ट "छिपा हुआ" जोखिम
पूर्व-उपचार (आवश्यकतानुसार) सोने को सुलभ बनाएं और साइनाइड की खपत को बढ़ने से रोकें प्रीग-रॉबिंग, उच्च तांबा, या प्रतिक्रियाशील सल्फाइड को नजरअंदाज करना
लीचिंग स्थिर मिश्रण, नियंत्रित पीएच और पर्याप्त ऑक्सीजन मृत क्षेत्र, खराब ऑक्सीजन स्थानांतरण, कमजोर चूना प्रणाली से अनियमित पीएच
सोखना (सीआईएल/सीआईपी) घुले हुए सोने को कुशलता से पकड़ें गलत कार्बन आकार/स्थानांतरण विधि; कार्बन हानि
निक्षालन/अवशोषण कार्बन से सोना विश्वसनीय ढंग से अलग करें असंगत हीटिंग/प्रवाह के कारण स्ट्रिपिंग दक्षता कम हो जाती है
इलेक्ट्रोविनिंग/स्मेल्टिंग डोरे को पुनर्प्राप्त करें और उसका उत्पादन करें कम आकार की कोशिकाएं, खराब इलेक्ट्रोलाइट प्रबंधन, कीचड़ प्रबंधन संबंधी समस्याएं
डिटॉक्स डिस्चार्ज/टेलिंग्स से पहले अवशिष्ट साइनाइड को कम करें डिज़ाइन थ्रूपुट परिवर्तनशीलता या टेलिंग रसायन शास्त्र से मेल नहीं खाता है

मुख्य मॉड्यूल और क्या जांचना है

1) टैंकों की लीचिंग और आंदोलन

  • क्या मिश्रण डिज़ाइन आपके घोल के घनत्व और घर्षण के लिए उपयुक्त है?
  • क्या सिस्टम अयस्क परिवर्तनशीलता के तहत स्थिर पीएच बनाए रख सकता है?
  • क्या आपकी साइट पर ऑक्सीजन जोड़ना व्यावहारिक है (और क्या डिज़ाइन में ऑक्सीजन स्थानांतरण पर विचार किया गया है)?
  • क्या लेआउट इम्पेलर्स, लाइनर्स और बियरिंग्स के आसान निरीक्षण की अनुमति देता है?

2) कार्बन सोखना और स्थानांतरण

  • क्या इंटरस्टेज स्क्रीन कार्बन कैरीओवर को रोकने के लिए पर्याप्त मजबूत हैं?
  • क्या कार्बन स्थानांतरण को टूट-फूट और हानि को कम करने के लिए इंजीनियर किया गया है?
  • क्या डिज़ाइन सफाई और कार्बन इन्वेंट्री नियंत्रण के अनुकूल है?

3) विशोषण और इलेक्ट्रोविनिंग

  • क्या रेफरेंस सर्किट आपकी कार्बन लोडिंग अपेक्षाओं से मेल खाता है?
  • क्या हीटिंग और प्रवाह नियंत्रण स्थिर हैं ("ऑपरेटर-निर्भर" नहीं)?
  • क्या कीचड़ प्रबंधन की योजना बनाई गई है, सुधारित नहीं?

4) साइनाइड की खुराक और माप

  • क्या खुराक इंटरलॉक के साथ स्वचालित है, या पूरी तरह से मैन्युअल है?
  • वास्तविक खदान वातावरण में अंशांकन और सेंसर रखरखाव की योजना क्या है?
  • क्या नमूना बिंदु सुरक्षित और अच्छी तरह से स्थित हैं, या बाद में सोचा गया है?

5) डिटॉक्स

  • क्या डिटॉक्स डिज़ाइन आपके डिस्चार्ज लक्ष्य और टेलिंग्स रसायन शास्त्र पर आधारित है?
  • क्या यह शटडाउन के बिना अल्पकालिक स्पाइक्स को संभाल सकता है?

व्यावहारिक संकेत:एक प्रस्ताव जो कागज पर सस्ता दिखता है, अक्सर संचालन में लागत को बढ़ाता है - अतिरिक्त साइनाइड, अतिरिक्त चूना, अतिरिक्त रखरखाव श्रम, और अधिक "वीर" ऑपरेटर व्यवहार। बिल बाद में आता है.


आकार और विशिष्टता की मूल बातें

आपके बजट की सुरक्षा करने वाले आकार संबंधी प्रश्न पूछने के लिए आपको धातुविज्ञानी होने की आवश्यकता नहीं है। के लिएसायनाइडिंग उपकरण, मुख्य आकार देने का तर्क थ्रूपुट, निवास समय और बड़े पैमाने पर स्थानांतरण के आसपास घूमता है। किसी भी अंतिम डिज़ाइन को स्वीकार करने से पहले, सुनिश्चित करें कि ये इनपुट स्पष्ट रूप से बताए गए हैं:

  • डिज़ाइन थ्रूपुट(औसत और शिखर, साथ ही अपेक्षित मौसमी परिवर्तनशीलता)।
  • लक्ष्य पीस आकारऔर यदि चक्की अधिक खुरदरी हो जाए तो क्या होगा।
  • लीच निवास समयऔर क्या यह परीक्षणों या मान्यताओं पर आधारित है।
  • पीएच और क्षारीयता योजना(चूने की तैयारी और खुराक स्थिरता सहित)।
  • ऑक्सीजन रणनीति(वायु, ऑक्सीजन, या कोई नहीं) और गतिकी पर अपेक्षित प्रभाव।
  • कार्बन सूची(कितना कार्बन, यह कहाँ बैठता है, और इसकी निगरानी कैसे की जाती है)।

यदि कोई आपूर्तिकर्ता इन्हें स्पष्ट भाषा में नहीं समझा सकता है, तो इसे एक जोखिम संकेत के रूप में मानें - तकनीकीता के रूप में नहीं।


सुरक्षा और साइनाइड नियंत्रण जो वास्तव में कायम है

सुरक्षा दीवार पर लगा कोई पोस्टर नहीं है. साइनाइडेशन के साथ, यह शारीरिक डिज़ाइन और नियमित नियंत्रण में निर्मित होता है। मज़बूतसायनाइडिंग उपकरणपैकेज में आमतौर पर शामिल हैं:

  • भंडारण और स्थानांतरण शामिल हैस्पष्ट स्पिल पथ और बंडलिंग तर्क के साथ।
  • इंटरलॉक्ड खुराकइसलिए जब मुख्य शर्तें पूरी नहीं होतीं तो साइनाइड नहीं मिलाया जा सकता।
  • स्पष्ट नमूना डिज़ाइनजो नियमित जांच के दौरान जोखिम जोखिम को कम करता है।
  • आपातकालीन तत्परताऑपरेटिंग प्रक्रिया सेट के भाग के रूप में, ऐड-ऑन दस्तावेज़ नहीं।

एक खरीदार के दृष्टिकोण से, आपका काम सरल है: प्रस्ताव को यह दिखाने के लिए बाध्य करें कि लोग सिस्टम के साथ कैसे इंटरैक्ट करते हैं। वे कहां खड़े हैं? वे क्या छूते हैं? वे उपकरण को कैसे अलग करते हैं? वे रात 2 बजे पंप सील विफलता पर कैसे प्रतिक्रिया देते हैं?


परिचालन लागत वास्तव में कहाँ से आती है?

यदि आपकी प्रति औंस लागत ऊपर की ओर बढ़ रही है, तो यह आमतौर पर एक नाटकीय विफलता नहीं है - यह सिस्टम में छोटी-छोटी लीक है जो इसे जोड़ती है। साइनाइडेशन में, सबसे आम लागत चालक हैं:

  • सायनाइड का सेवनप्रतिक्रियाशील खनिजों, अधिक खुराक लेने की आदतों या खराब नियंत्रण चक्रों से प्रेरित।
  • नीबू का सेवनजब पीएच नियंत्रण अस्थिर होता है या घोल रसायन अच्छी तरह से समझ में नहीं आता है।
  • कार्बन हानिएट्रिशन, स्क्रीन समस्याओं या खराब ट्रांसफर डिज़ाइन के माध्यम से।
  • बिजली और रखरखावअति-उत्तेजना, कम-डिज़ाइन किए गए घिसे-पिटे हिस्सों और कठिन-से-सेवा लेआउट से।
लक्षण संभावित मूल कारण उपकरण सुविधा जो मदद करती है
अयस्क बदलने पर रिकवरी कम हो जाती है पीएच/डीओ अस्थिरता; ख़राब मिश्रण; अपर्याप्त निवास समय मजबूत आंदोलन, बेहतर नियंत्रण उपकरण, लचीली टैंक क्षमता
साइनाइड का ख़र्च बढ़ता जा रहा है अधिक खुराक लेना; उच्च साइनाइड-खपत वाले खनिज; ख़राब माप नियंत्रित खुराक, विश्वसनीय नमूना बिंदु, बेहतर इंटरलॉक
कार्बन इन्वेंट्री "रहस्यमय तरीके से" सिकुड़ती है स्क्रीन विफलता; स्थानांतरण घाटा; संघर्षण टिकाऊ इंटरस्टेज स्क्रीन, सौम्य स्थानांतरण डिज़ाइन, स्पष्ट कार्बन लेखांकन
बार-बार शटडाउन घिसे-पिटे हिस्से, पंप सीलिंग, पहुंच संबंधी समस्याएं पहनने के लिए प्रतिरोधी सामग्री, रखरखाव पहुंच, मानकीकृत पुर्जे

विश्वसनीयता और रखरखाव डिजाइन

Cyaniding Equipment

एक साइनाइडेशन सर्किट "पूर्ण" दिख सकता है और फिर भी अविश्वसनीय हो सकता है यदि रखरखाव की योजना नहीं बनाई गई हो। पूछें कि आपूर्तिकर्ता कैसे संपर्क करता है:

  • सामग्री चयनअपघर्षक घोल क्षेत्रों और साइनाइड-संपर्क क्षेत्रों के लिए।
  • पहुँचस्क्रीन, इम्पेलर्स, लाइनर्स, पंप और इंस्ट्रूमेंटेशन के लिए।
  • स्पेयर पार्ट्स रणनीतिजो आपकी साइट की वास्तविकता (लीड समय, लॉजिस्टिक्स, स्टॉकिंग) से मेल खाता हो।
  • मानकीकरणअद्वितीय पहनने वाली वस्तुओं की संख्या को कम करने के लिए।

दूरस्थ संचालन में, "रखरखाव में आसान" का मूल्य "कागज पर थोड़ा अधिक कुशल" से अधिक हो सकता है।


आपूर्तिकर्ता प्रश्न जो आपको पूछने चाहिए

बैठकों में इस चेकलिस्ट का उपयोग करें. इसे कमज़ोर प्रस्तावों को तुरंत सामने लाने के लिए डिज़ाइन किया गया है—बातचीत को बहस में बदले बिना।

  • कौन से अयस्क जोखिमों को दूर मान लिया गया है, और किसके लिए सक्रिय रूप से इंजीनियर किया गया है?
  • निवास समय, पीएच रेंज और ऑक्सीजन रणनीति के लिए डिज़ाइन इनपुट क्या हैं?
  • साइनाइड की खुराक को कैसे नियंत्रित किया जाता है, और सेंसर विफलता के दौरान क्या होता है?
  • नियमित परिचालनों में कार्बन हानि को कैसे रोका और मापा जाता है?
  • स्क्रीन, आंदोलनकारियों और पंपों के लिए रखरखाव पहुंच योजना क्या है?
  • प्रति शिफ्ट में अनुशंसित ऑपरेटर जाँच क्या हैं, और उन्हें कैसे सुरक्षित बनाया जाता है?
  • क्या कमीशनिंग सहायता शामिल है, और कौन सा ऑपरेटर प्रशिक्षण प्रदान किया जाता है?

यदि आप विक्रेताओं का मूल्यांकन कर रहे हैं, तो ऐसे निर्माता से बात करने में मदद मिल सकती है जो पूर्ण साइनाइडेशन पैकेज की आपूर्ति कर सकता है और एकीकरण विवरण का समर्थन कर सकता है। उदाहरण के लिए, क़िंगदाओ ईपीआईसी माइनिंग मशीनरी कं, लिमिटेड।खनन प्रसंस्करण उपकरण समाधान प्रदान करता है जहां साइनाइडेशन पैकेजों को टैंकों के अलग किए गए सेट के बजाय सिस्टम-लीचिंग, सोखना, पुनर्प्राप्ति और नियंत्रण-के रूप में माना जाता है।


अक्सर पूछे जाने वाले प्रश्न

क्या साइनाइडिंग उपकरण को बुनियादी के बजाय "आधुनिक" बनाता है?

आधुनिक डिज़ाइन नियंत्रणीयता और दोहराव पर ध्यान केंद्रित करते हैं: स्थिर खुराक, विश्वसनीय माप, सुरक्षित नमूनाकरण, मजबूत पहनने से सुरक्षा, और लेआउट जो ऑपरेटर सुधार को कम करते हैं। लक्ष्य कम अभिकर्मक अपशिष्ट और कम शटडाउन के साथ लगातार पुनर्प्राप्ति है।

क्या साइनाइडिंग उपकरण निम्न-श्रेणी के अयस्क को आर्थिक रूप से संभाल सकता है?

यह हो सकता है, लेकिन केवल तभी जब सर्किट आपके कैनेटीक्स और उपभोग प्रोफ़ाइल के आसपास इंजीनियर किया गया हो। निम्न-श्रेणी के संचालन अभिकर्मक के अधिक खर्च और डाउनटाइम के प्रति संवेदनशील होते हैं, इसलिए नियंत्रण प्रणाली, घिसाव डिजाइन और कार्बन प्रबंधन विशेष रूप से महत्वपूर्ण हो जाते हैं।

मुझे कैसे पता चलेगा कि मुझे सीआईपी या सीआईएल की आवश्यकता है?

चुनाव आम तौर पर लीच कैनेटीक्स पर निर्भर करता है और कितनी जल्दी घुले हुए सोने को पकड़ा जाना चाहिए। यदि सोना जल्दी घुल जाता है और आप तुरंत कब्जा चाहते हैं, तो सीआईएल आकर्षक हो सकता है। यदि सोखने से पहले पृथक्करण से लीचिंग को लाभ होता है, तो सीआईपी बेहतर तरीके से फिट हो सकता है। धातुकर्म परीक्षण और व्यावहारिक साइट की बाधाओं को निर्णय लेना चाहिए।

साइनाइड की खपत कभी-कभी अचानक क्यों बढ़ जाती है?

सामान्य कारणों में अयस्क खनिज परिवर्तन, खराब पीएच नियंत्रण, अप्रत्याशित ऑक्सीजन सीमा, या प्रक्रिया जल में संदूषण शामिल हैं। एक अच्छी नियंत्रण योजना और विश्वसनीय नमूनाकरण बिंदु इन स्पाइक्स का निदान करना और जल्दी ठीक करना आसान बनाते हैं।

यदि मेरी साइट दूरस्थ है और कर्मचारियों की कमी है तो मुझे क्या प्राथमिकता देनी चाहिए?

रखरखाव और स्वचालन को प्राथमिकता दें जो मैन्युअल हैंडलिंग को कम करता है: टिकाऊ स्क्रीन, सुलभ उपकरण लेआउट, मानकीकृत स्पेयर, इंटरलॉक्ड खुराक, और स्पष्ट ऑपरेटिंग रूटीन जो "एक विशेषज्ञ ऑपरेटर" पर निर्भर नहीं होते हैं।


लपेटें

क्रय करनासायनाइडिंग उपकरणअंततः अनिश्चितता को कम करने के बारे में है। रसायन विज्ञान सिद्ध हो सकता है, लेकिन आपकी लाभप्रदता निरंतर नियंत्रण, व्यावहारिक रखरखाव और सुरक्षा पर निर्भर करती है जो वास्तविक लोगों के साथ वास्तविक बदलाव पर काम करती है। यदि आप एक नए संयंत्र की योजना बना रहे हैं या किसी मौजूदा सर्किट को अपग्रेड कर रहे हैं, तो अपने अयस्क की वास्तविकताओं, थ्रूपुट लक्ष्यों और साइट की बाधाओं को सामने रखें - और एक ऐसे प्रस्ताव पर जोर दें जो साइनाइडेशन को एक पूर्ण, नियंत्रणीय प्रणाली के रूप में मानता हो।

क्या आप अपनी साइनाइडेशन योजना को एक विश्वसनीय, लागत-स्थिर ऑपरेशन में बदलने के लिए तैयार हैं?अपना अयस्क प्रकार, लक्ष्य क्षमता और साइट की स्थितियाँ साझा करें, औरहमसे संपर्क करेंएक व्यावहारिक उपकरण कॉन्फ़िगरेशन पर चर्चा करने के लिए जो आपके संयंत्र और आपके ऑपरेटरों के लिए उपयुक्त हो।

जांच भेजें

X
हम आपको बेहतर ब्राउज़िंग अनुभव प्रदान करने, साइट ट्रैफ़िक का विश्लेषण करने और सामग्री को वैयक्तिकृत करने के लिए कुकीज़ का उपयोग करते हैं। इस साइट का उपयोग करके, आप कुकीज़ के हमारे उपयोग से सहमत हैं। गोपनीयता नीति