विशोषण इलेक्ट्रोलाइटिक प्रणाली क्या है और यह आधुनिक सोना निष्कर्षण के लिए क्यों आवश्यक है

The विशोषण इलेक्ट्रोलाइटिक प्रणालीआधुनिक सोने के निष्कर्षण में एक महत्वपूर्ण तकनीक है, विशेष रूप से कार्बन-इन-पल्प (सीआईपी) और कार्बन-इन-लीच (सीआईएल) प्रक्रियाओं में। यह ब्लॉग बताता है कि सिस्टम कैसे काम करता है, इसके घटक, फायदे, और यह कुशल सोने की वसूली में एक मानक क्यों बन गया है। हम यह भी उजागर करते हैं कि कंपनियां कैसी पसंद करती हैंमहाकाव्यइस क्षेत्र में नवाचार चला रहे हैं। अंत तक, आपको इस बात की व्यापक समझ हो जाएगी कि यह प्रणाली कैसे उत्पादकता बढ़ाती है, लागत कम करती है और वसूली दर में सुधार करती है।

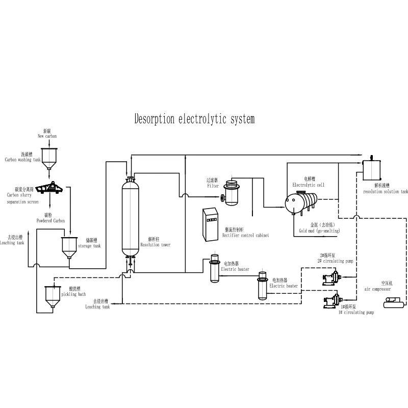
Desorption Electrolytic System

विषयसूची


विशोषण इलेक्ट्रोलाइटिक प्रणाली क्या है?

A विशोषण इलेक्ट्रोलाइटिक प्रणालीएक उन्नत सोना पुनर्प्राप्ति प्रणाली है जिसका उपयोग सक्रिय कार्बन से सोना निकालने के लिए किया जाता है। इसका व्यापक रूप से खनन कार्यों में उपयोग किया जाता है जहां लीचिंग प्रक्रिया के दौरान सोना कार्बन कणों में अवशोषित हो जाता है।

  • विशोषण: उच्च तापमान और उच्च दबाव वाले समाधानों का उपयोग करके कार्बन से सोना निकालता है
  • इलेक्ट्रोलिसिस: घोल से कैथोड पर सोना पुनर्प्राप्त करता है
  • बंद-लूप प्रणाली: दक्षता और न्यूनतम हानि सुनिश्चित करता है

यह प्रणाली पुनर्प्राप्ति दक्षता में सुधार और परिचालन लागत को कम करने के लिए आवश्यक है, जिससे यह आधुनिक सोना प्रसंस्करण संयंत्रों में एक मुख्य घटक बन जाता है।


डिसोर्प्शन इलेक्ट्रोलाइटिक सिस्टम कैसे काम करता है

ए का कार्य सिद्धांतविशोषण इलेक्ट्रोलाइटिक प्रणालीइसमें दो मुख्य चरण शामिल हैं:

  1. विशोषण चरण:सोने से भरे कार्बन को गर्म क्षारीय साइनाइड घोल से उपचारित किया जाता है, जिससे सोने के आयन निकलते हैं।
  2. इलेक्ट्रोलिसिस चरण:सोने से भरपूर घोल एक इलेक्ट्रोलाइटिक सेल से होकर गुजरता है जहां सोना स्टील वूल कैथोड पर जमा हो जाता है।

यह प्रक्रिया उच्च दक्षता सुनिश्चित करती है और निरंतर संचालन की अनुमति देती है, यही कारण है कि कंपनियां सिस्टम को पसंद करती हैंमहाकाव्यऔद्योगिक अनुप्रयोगों में व्यापक रूप से अपनाया जाता है।


सिस्टम के मुख्य घटक

अवयव समारोह
विशोषण स्तंभ सक्रिय कार्बन को धारण करता है और सोने को हटाने की सुविधा देता है
इलेक्ट्रोलाइटिक सेल इलेक्ट्रोलिसिस के माध्यम से सोना पुनः प्राप्त करता है
उष्मा का आदान प्रदान करने वाला आवश्यक तापमान बनाए रखता है
फ़िल्टर प्रणाली घोल से अशुद्धियाँ दूर करता है
नियंत्रण प्रणाली संचालन को स्वचालित करता है और मापदंडों की निगरानी करता है

प्रत्येक घटक यह सुनिश्चित करने में महत्वपूर्ण भूमिका निभाता है कि सिस्टम कुशलतापूर्वक और लगातार संचालित हो।


तकनीकी लाभ और विशेषताएं

  • उच्च सोने की पुनर्प्राप्ति दर (98% तक)
  • कम ऊर्जा खपत
  • कम श्रम लागत के लिए स्वचालित संचालन
  • अंतरिक्ष दक्षता के लिए कॉम्पैक्ट डिजाइन
  • न्यूनतम उत्सर्जन के साथ पर्यावरण के अनुकूल

निर्माताओं को पसंद हैमहाकाव्यबेहतर प्रदर्शन और विश्वसनीयता सुनिश्चित करते हुए, उद्योग की उभरती मांगों को पूरा करने के लिए इन प्रणालियों को लगातार अनुकूलित करें।


स्वर्ण प्रसंस्करण में अनुप्रयोग

The विशोषण इलेक्ट्रोलाइटिक प्रणालीव्यापक रूप से उपयोग किया जाता है:

  • सोने के खनन संयंत्र
  • सीआईपी (कार्बन-इन-पल्प) संचालन
  • सीआईएल (कार्बन-इन-लीच) प्रक्रियाएं
  • सोने की पूँछ की वसूली

इसकी बहुमुखी प्रतिभा इसे बड़े पैमाने पर औद्योगिक खनन और दक्षता में सुधार की मांग करने वाले छोटे परिचालन दोनों के लिए उपयुक्त बनाती है।


पारंपरिक तरीकों से तुलना

विशेषता विशोषण इलेक्ट्रोलाइटिक प्रणाली पारंपरिक तरीके
क्षमता उच्च मध्यम
स्वचालन पूरी तरह से स्वचालित मैनुअल या अर्ध-स्वचालित
लागत कम दीर्घकालिक लागत उच्च परिचालन लागत
पर्यावरणीय प्रभाव कम उच्च

स्पष्ट रूप से, आधुनिक प्रणाली पारंपरिक सोना पुनर्प्राप्ति तकनीकों पर महत्वपूर्ण लाभ प्रदान करती है।


ख़रीदारों के लिए चयन मार्गदर्शिका

चुनते समय एविशोषण इलेक्ट्रोलाइटिक प्रणाली, निम्नलिखित कारकों पर विचार करें:

  • संसाधन क्षमता
  • स्वचालन स्तर
  • ऊर्जा दक्षता
  • निर्माता की प्रतिष्ठा (जैसे, EPIC)
  • बिक्री के बाद समर्थन

सही प्रणाली का चयन दीर्घकालिक परिचालन सफलता और निवेश पर अधिकतम रिटर्न सुनिश्चित करता है।


रखरखाव और परिचालन युक्तियाँ

  • पाइपलाइनों और वाल्वों का नियमित निरीक्षण करें
  • तापमान और दबाव के स्तर की निगरानी करें
  • इलेक्ट्रोलाइटिक कोशिकाओं को समय-समय पर साफ करें
  • घिसे हुए घटकों को तुरंत बदलें
  • निर्माता दिशानिर्देशों का सख्ती से पालन करें

उचित रखरखाव सिस्टम के जीवनकाल को महत्वपूर्ण रूप से बढ़ाता है और लगातार प्रदर्शन सुनिश्चित करता है।


अक्सर पूछे जाने वाले प्रश्न

1. डिसॉर्प्शन इलेक्ट्रोलाइटिक सिस्टम का मुख्य उद्देश्य क्या है?

इसका मुख्य उद्देश्य सक्रिय कार्बन से सोने को कुशलतापूर्वक निकालना और पुनर्प्राप्त करना है।

2. सिस्टम कितना कुशल है?

अधिकांश प्रणालियाँ परिचालन स्थितियों के आधार पर 95% से अधिक की सोने की पुनर्प्राप्ति दर प्राप्त करती हैं।

3. क्या सिस्टम पर्यावरण के अनुकूल है?

हाँ, आधुनिक प्रणालियाँ उत्सर्जन को कम करने और रासायनिक अपशिष्ट को कम करने के लिए डिज़ाइन की गई हैं।

4. क्या इसे अनुकूलित किया जा सकता है?

हां, ईपीआईसी जैसी कंपनियां प्रसंस्करण आवश्यकताओं के आधार पर अनुकूलन योग्य समाधान प्रदान करती हैं।

5. कौन से उद्योग इस प्रणाली का उपयोग करते हैं?

मुख्य रूप से सोने के खनन उद्योग में, लेकिन कीमती धातु पुनर्प्राप्ति अनुप्रयोगों में भी।


निष्कर्ष

The विशोषण इलेक्ट्रोलाइटिक प्रणालीबेजोड़ दक्षता, विश्वसनीयता और पर्यावरणीय प्रदर्शन की पेशकश करते हुए, सोना पुनर्प्राप्ति तकनीक में एक सफलता का प्रतिनिधित्व करता है। जैसे उद्योग जगत के नेताओं की निरंतर प्रगति के साथमहाकाव्यआधुनिक खनन कार्यों के लिए यह प्रणाली तेजी से आवश्यक होती जा रही है। यदि आप अपनी सोना निकालने की प्रक्रिया को अनुकूलित करना और लाभप्रदता में सुधार करना चाहते हैं, तो उच्च गुणवत्ता वाली प्रणाली में निवेश करना एक स्मार्ट विकल्प है।हमसे संपर्क करेंआज इस बारे में अधिक जानने के लिए कि हम आपकी आवश्यकताओं के अनुरूप समाधान कैसे प्रदान कर सकते हैं।

जांच भेजें

X
हम आपको बेहतर ब्राउज़िंग अनुभव प्रदान करने, साइट ट्रैफ़िक का विश्लेषण करने और सामग्री को वैयक्तिकृत करने के लिए कुकीज़ का उपयोग करते हैं। इस साइट का उपयोग करके, आप कुकीज़ के हमारे उपयोग से सहमत हैं। गोपनीयता नीति